|
Поз. на рис. |
Обозначение |
Наименование |
Куда входит |
|
обозначение сборочной единицы |
кол-во на сбороч. ед. |
|
— |
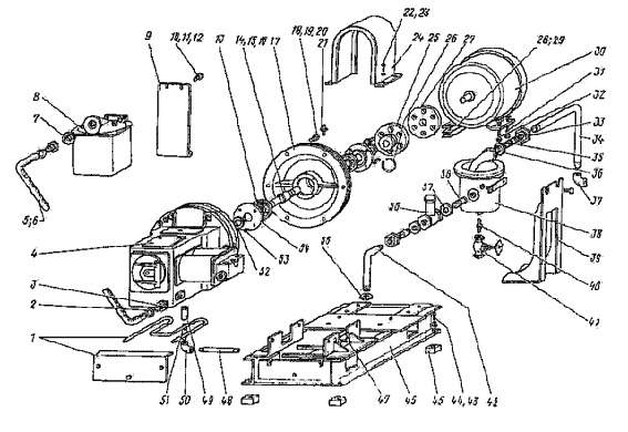
1080.19.100СБ |
Установка компрессора ЭК-4 |
1080.19.00СБ |
1 |
|
— |
1082.19.100СБ |
Установка компрессора ЭК-4 |
1082.19.00СБ |
1 |
|
1 |
1080.19.120СБ |
Установка электронагревательной трубки |
|
1 |
|
2 |
02723.00 |
Хомутик 36 |
|
2 |
|
3 |
— |
Ниппель шланговый Труб. 1" |
1080.19.100СБ |
2 |
|
4 |
— |
Компрессор ЭК-4 |
|
1 |
|
5 |
— |
Рукав Г(IV)-10-25-У ГОСТ 18698-73, L=1000 mm |
|
1 |
|
6 |
1082.19.101СБ |
Рукав |
1082.19.100СБ |
1 |
|
7 |
— |
Футорка 40х25 ГОСТ 8960-75 |
|
1 |
|
8 |
|
Фильтр 1ФК |
|
1 |
|
9 |
1080.19.133СБ |
Кронштейн |
1080.19.100СБ |
1 |
|
10 |
— |
Болт М 12х40.58 ГОСТ 7798-70 |
1082.19.100СБ |
4 |
|
11 |
— |
Гайка M12.4 ГОСТ 5915-70 |
|
4 |
|
12 |
— |
Шайба 12 65Г ГОСТ 6402-70 |
|
4 |
|
— |
1080.19.101СБ |
Вал моторный |
|
1 |
|
13 |
— |
Шарикоподшипник 209 ГОСТ 8338-75 |
|
2 |
|
14 |
1080.19.103 |
Вал |
|
1 |
|
15 |
— |
Шпонка ГОСТ 23360-78: 10х8х36 |
1080.19.101СБ |
1 |
|
16 |
— |
Шпонка ГОСТ 23360-78: 10х8х50 |
|
1 |
|
17 |
1080.19.102 |
Крышка |
|
1 |
|
18 |
— |
Болт М16х55.58 ГОСТ 7798-70 |
|
6 |
|
— |
— |
Болт М16х55.58 ГОСТ 7798-70 |
|
6 |
|
19 |
— |
Гайка M16.4 ГОСТ 5915-70 |
1080.19.100СБ |
10 |
|
20 |
— |
Шайба 16 65Г ГОСТ 6402-70 |
1082.19.100СБ |
18 |
|
21 |
— |
Масленка винтовая MB 3/8" |
1080.19.101СБ |
1 |
|
22 |
— |
Болт М10х20.58 ГОСТ 7798-70 |
|
4 |
|
— |
— |
Болт М10х20.58 ГОСТ 7798-70 |
|
4 |
|
23 |
— |
Шайба 10 65Г ГОСТ 6402-70 |
|
4 |
|
24 |
1080.19.130СБ |
Кожух |
|
1 |
|
25 |
0.08579 |
Полумуфта МУВП 1-35/2 |
|
1 |
|
26 |
— |
Кольцо 60 ГОСТ 2833-77 |
1082.19.100СБ |
1 |