|
Поз. на рис. |
Обозначение |
Наименование |
Куда входит |
|
обозначение сборочной единицы |
кол-во на сбороч. ед. |
|
|
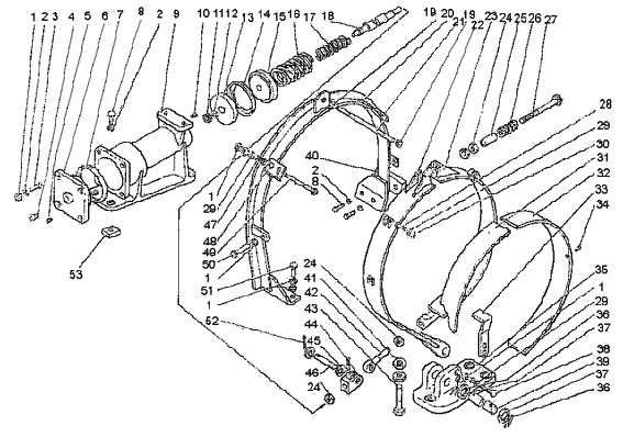
1080.20.600СБ |
Тормоз подъема |
1085.20.00СБ |
1 |
|
|
1080.20.600СБ |
Тормоз подъема |
1085.70.00СБ |
1 |
|
1 |
— |
Гайка M16.4 ГОСТ 5915-70 |
1080.20.600СБ |
14 |
|
2 |
— |
Шайба 16 65Г ГОСТ 6402-70 |
1080.20.600СБ |
8 |
|
3 |
— |
Болт М16х70.58 ГОСТ 7798-70 |
1080.20.700СБ |
4 |
|
4 |
— |
Пробка 9 |
1080.20.700СБ |
1 |
|
5 |
— |
Пробка 9 к труб. 1/4" |
1080.20.700СБ |
1 |
|
6 |
1080.20.703 |
Крышка |
1080.20.700СБ |
1 |
|
7 |
— |
Набивка сквозного плетения марки ПС-4 ГОСТ 5152-77, L = 660мм |
1080.20.700СБ |
1 |
|
8 |
— |
Болт М 16х40.58 ГОСТ 7798-70 |
1080.20.600СБ |
6 |
|
9 |
1080.20.702 |
Корпус цилиндра |
1080.20.700СБ |
1 |
|
10 |
— |
Пробка 3 |
1080.20.700СБ |
1 |
|
11 |
— |
Гайка М24.4 ГОСТ 5915-70 |
1080.20.700СБ |
1 |
|
12 |
— |
Шайба 24 65 Г ГОСТ 6402-70 |
1080.20.700СБ |
8 |
|
13 |
1080.20.707 |
Шайба поршня |
1080.20.700СБ |
1 |
|
14 |
— |
Манжета 200 ГОСТ 6678-72 |
1080.20.700СБ |
1 |
|
15 |
1080.20.704 |
Поршень |
1080.20.700СБ |
1 |
|
16 |
1080.20.706 |
Пружина наружная |
1080.20.700СБ |
1 |
|
17 |
1080.20.705 |
Пружина внутренняя |
1080.20.700СБ |
1 |
|
18 |
1080.20.708 |
Шток |
1080.20.700СБ |
1 |
|
19 |
— |
Гайка М20.4 ГОСТ 5915-70 |
1080.20.600СБ |
3 |
|
20 |
1080.20.601СБ |
Скоба |
1080.20.600СБ |
1 |
|
21 |
1080.20.630 |
Шпилька |
1080.20.600СБ |
1 |