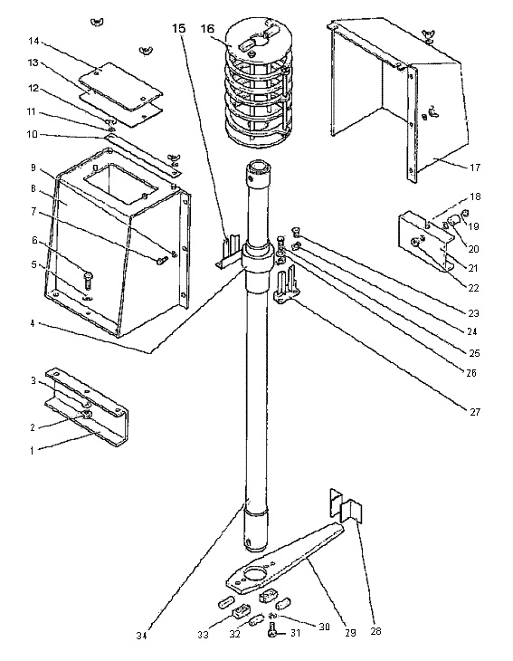
|
Поз. на рис. |
Обозначение |
Наименование |
Куда входит |
|
обозначение сборочной единицы |
кол-во на сбороч. ед. |
|
— |
1080.11.00-1CБ |
Привод токоприемника |
1085.07.01CБ |
1 |
|
— |
1080.11.00-1СБ |
Привод токоприемника |
1085.07.01-2СБ |
1 |
|
— |
1080.11.00-lCБ |
Привод токоприемника |
1085.07.01-3СБ |
1 |
|
— |
1080.11.00-1СБ |
Привод токоприемника |
1085.07.01-4СБ |
1 |
|
— |
1080.11.01-1СБ |
Кожух |
1080.11.00-1СБ |
1 |
|
1 |
1080.11.15 |
Швеллер |
|
1 |
|
2 |
— |
Гайка M10.4 ГОСТ 5915-70 |
1080.11.01-1CБ |
3 |
|
3 |
— |
Шайба 10.02 ГОСТ 11371-78 |
|
1 |
|
4 |
1080.11.04 |
Кольцо |
1080.11.00-1СБ |
1 |
|
5 |
— |
Шайба 16.65Г ГОСТ 0402-70 |
|
3 |
|
6 |
— |
Болт ГОСТ 7798-70: M16х40.58 |
|
3 |
|
7 |
— |
Болт ГОСТ 7798-70: M10х25. 58 |
|
7 |
|
8 |
1080.11.10-1СБ |
Кожух |
|
1 |
|
9 |
— |
Шайба 10 05Г ГОСТ 0402-70 |
1080.11.01-1СБ |
3 |
|
10 |
1080.11.40 |
Прокладка |
|
1 |
|
11 |
— |
Шайба 10.02 ГОСТ 11371—78 |
|
6 |
|
12 |
— |
Гайка М10.25Л ГОСТ 3032—70 |
|
8 |
|
13 |
1080.11.39 |
Прокладка |
|
1 |
|
14 |
1080.11.13-1 |
Крышка |
|
1 |
|
15 |
1080.11.35СБ |
Упор |
|
1 |
|
16 |
— |
Токоприемник низковольтный на 10 колец К-5А УЗ (ТЗ) |
1080.11.00-lCБ |
1 |
|
17 |
1080.11.11-1СБ |
Кожух |
1080.11.01-lCБ |
1 |
|
18 |
— |
Болт М 10х35.58 ГОСТ 7798-70 |
|
1 |
|
19 |
— |
Масленка винтовая MB 3/8" |
1080.11.00-1СБ |
1 |
|
20 |
1080.11.09 |
Муфта передняя |
|
1 |
|
21 |
1080.11.14-1 |
Швеллер |
1080.11.01-lCБ |
1 |
|
22 |
— |
Гайка Труб.1/4".5 |
|
1 |
|
23 |
— |
Болт M12х20.58 ГОСТ 7798-70 |
|
2 |
|
24 |
— |
Шайба стопорная 13.02 |
|
14 |
|
25 |
— |
Болт Н М 12х4 0-020 ГОСТ 7817-72 |
1080.11.00-1СБ |
2 |
|
26 |
— |
Шайба 1.14.02 ГОСТ 9049-78 |
|
2 |
|
27 |
1080.11.42СБ |
Упор |
|
1 |
|
28 |
1080.11.06 |
Уголок |
|
2 |
|
29 |
1080.11.05 |
Рычаг |
|
1 |
|
30 |
— |
Шайба 12 65Г ГОСТ 0402-70 |
|
4 |
|
31 |
— |
Болт М 12х40.58 ГОСТ 7798-70 |
|
4 |
|
32 |
4080.11.07 |
Упор |
|
4 |
|
33 |
1080.11.08 |
Упор |
|
2 |
|
34 |
1080.11.02СБ |
Труба |
|
1 |